Files
Entrega-Brobotica/Entrega.md
2024-10-19 00:36:43 -03:00

1.2 KiB

title, author
title author
Trabajo Practico 1 - Robotica Luca Troiano, Francisco Rose Cerna, Federico Polidoro

Compontes a usar

  • Pantalla 16x2
  • Sensor Termico y Humedades DHT-22
  • Sensor Ultrasonido HCSR04
  • Sensor de luminancia BH1750
  • Sensor Tarjeta RFID RC522
  • Rele
  • ServoMotor

Objetivo

Una posible implementacion podria ser un porton de entrada a un edificio. Este con la capacidad de detectar que se use una tarjeta correcta para abrirlo y que si estás adentro un sensor lo detecte y te abra el portón también.

Datasheets de los componentes

Pantalla 16x2

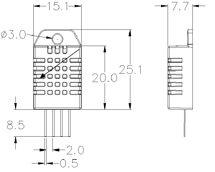
Sensor Termico y Humedades DHT-22

Sensor Ultrasonido HCSR04

Sensor de luminancia BH1750

Sensor Tarjeta RFID RC522

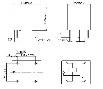
Rele

ServoMotor

Video Demo

https://drive.google.com/file/d/1sKX1Xp0Z1JzKQPnDJEeyWgEyGZQYDUaT/view?usp=sharing

Conclusión

El proyecto nos dejó con un ejemplo de cómo un sistema de automatización inteligente puede ser aplicado, simplificando o mejorando la calidad de los entornos donde se aplica.